JWM梯形丝杆升降机广泛应用于机械、冶金、建筑、水利设备等行业,具有起升、下降及借助辅件推进、翻转及各种高度位置调整等诸多功能.SWL蜗轮丝杆升降机是一种基础起重部件,具有结构紧凑、体积小、重量轻、动力源广泛、无噪音、安装方便、使用灵活、功能多、配套形式多、可靠性高、使用寿命长等许多优点。可以单台或组合使用,能按一定程序准确地控制调整提升或推进的高度,可以用电动机或 其他动力直接带动,也可以手动。它有不同的结构形式和装配形式,且提升高度可按用户的要求定制。
1、 JWM型(梯形丝杆型)适用于低速、低频率的场合, 主要构成部件为:精密梯形丝杆副与高精度蜗轮蜗杆副。
2、 价格经济、结构紧凑、操作简单、保养方便。
3、 低速、低频率:主要用于大负荷、低速与无需频繁 工作的场所。
4、保持载重:梯形丝杆具有自动锁定功能,即使没有制动装置也可保持载重。
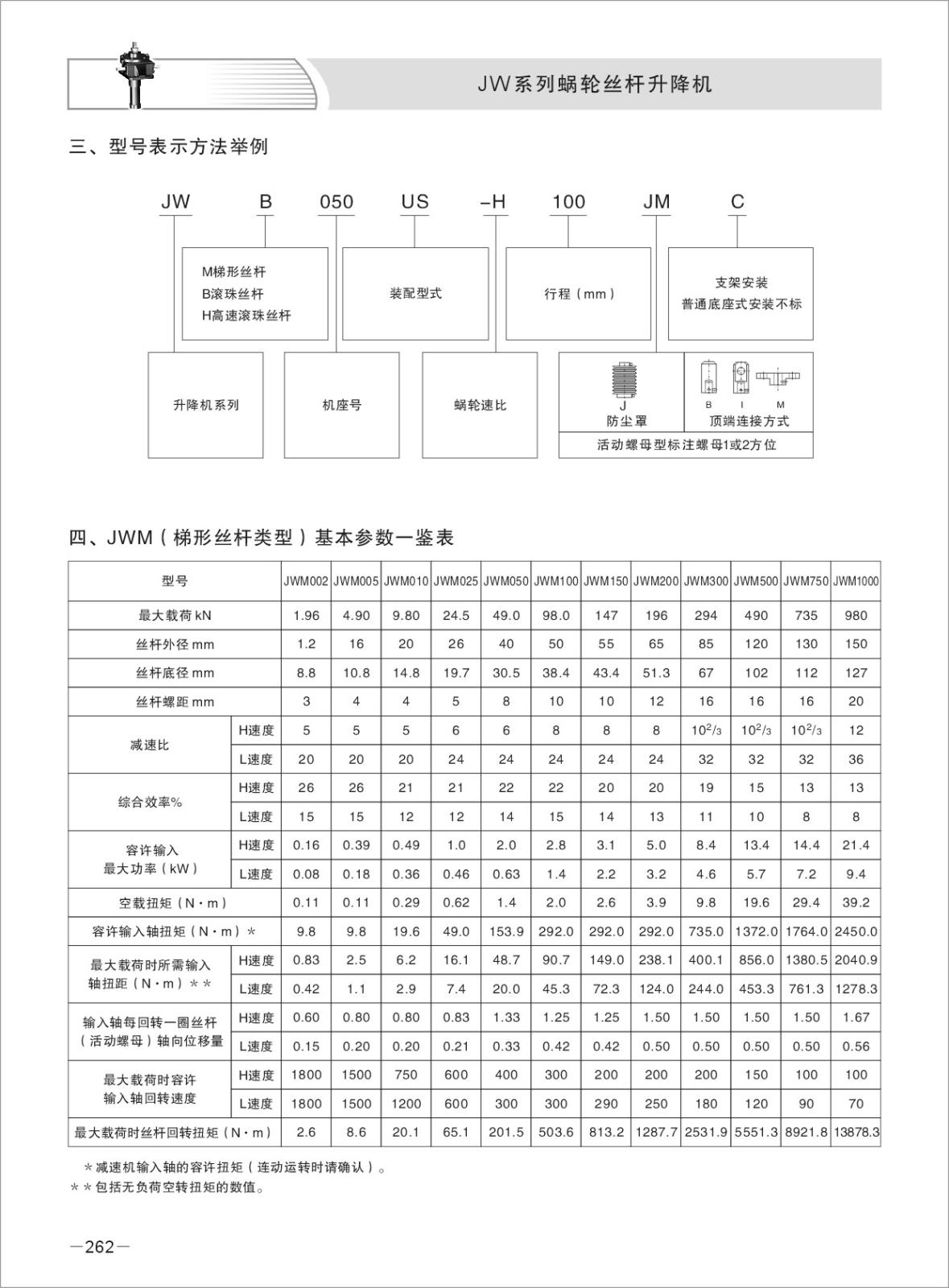
基本型号:
JWM010、JWM025、JWM050、JWM100、JWM150、JWM200、JWM300、JWM500、JWM750、JWM1000
